Published:2009/6/17 22:16:00 Author:May | From:SeekIC

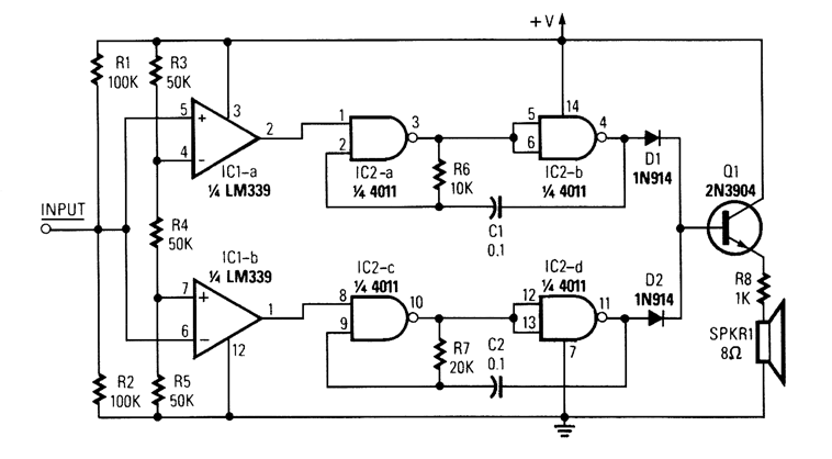
The tester provides an audible indication of the logic level of the signal presented to its input. A logic high is indicated by a high tone, a logic low is indicated by a low tone, and oscillation is indicated by an alternating tone. The input is high impedance, so it will not load down the circuit under test. It can be used to troubleshoot TTL or CMOS logic.The input section determines whether the logic level is high or low, and enables the appropriate tone generator; it consists of two sections of an LM339 quad comparator. One of the comparators (IC1-a) goes high when the input voltage exceeds 67% of the supply voltage. The other comparator goes high when the input drops below 33% of the supply. Resistors R1 and R2 ensure that neither comparator goes high when the input is floating or between the threshold levels.The tone generators consist of two gated astable multivibrators. The generator built around IC2-a and IC2-b produces the high tone. The one built around IC2-c and IC2-d produces the low tone. Two diodes, D1 and p2, isolate the tone-generator outputs, Transistor Q1 is used to drive a low-impedance speaker.
Reprinted Url Of This Article:
http://www.seekic.com/circuit_diagram/Measuring_and_Test_Circuit/AUDIBLE_LOGIC_TESTER.html
Print this Page | Comments | Reading(3)
Code: