Published:2009/7/20 19:59:00 Author:Jessie | From:SeekIC

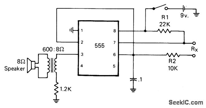
Circuit is built around 555 timer. Resistance detection range is from 0 ohms to about 10 megohms. At high end of range, output is series of clicks from loudspeaker, and at low end is high-pitched tone. Intermediate resistance values produce different tones. Current through unknown resistance is only a few microamperes, so semiconductor junctions can be checked without damage. R2 80 sets frequency for 0 ohms. Can also be used as Speaker code practice oscillator if RX terminals are shorted and ground lead of pin 1 is keyed.-J.Schultz, An Ohmmeter Potpourri, CQ, June 1978, p 32-33.
Reprinted Url Of This Article:
http://www.seekic.com/circuit_diagram/Measuring_and_Test_Circuit/AUDIBLE_OHMMETER.html
Print this Page | Comments | Reading(3)
Code: