Published:2009/6/23 2:16:00 Author:May | From:SeekIC

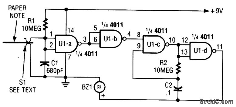
This device prevents paper notes and memos from being overlooked. A paper note placed be-tween two fingers made of a conducting material (metal or conductive plastic) breaks the circuit, al-lowing pair 1 of U1-a to go high. This causes U1-c & U1-d to act as an oscillator, pulsing piezo buzzer BZ1.
Reprinted Url Of This Article:
http://www.seekic.com/circuit_diagram/Measuring_and_Test_Circuit/AUDIO_MEMO_ALERT.html
Print this Page | Comments | Reading(3)
Code: