Published:2009/6/19 2:23:00 Author:May | From:SeekIC

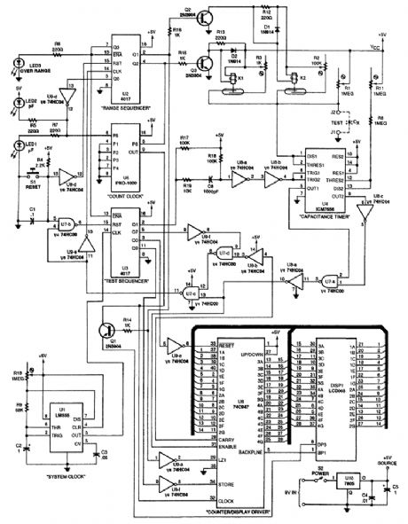
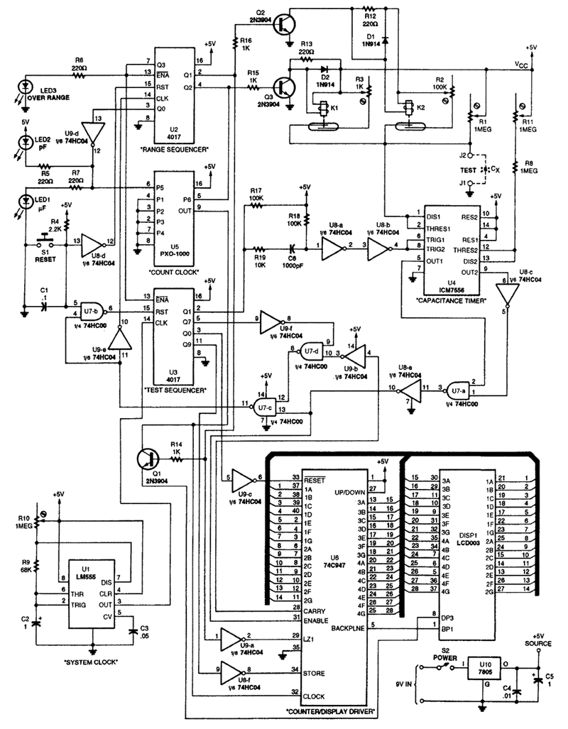
This digital capacitance meter reads from 1 pF to 1000 μF. Basically, a timer(U4)uses the unknown capacitance to generate a pulse of duration, depending on the value of unknown capacitance, and the pulse duration is measured. The display is an LCD 0003 driven by a 74C947 counter/display driver.
Reprinted Url Of This Article:
http://www.seekic.com/circuit_diagram/Measuring_and_Test_Circuit/AUTO_RANGING_DIGITAL_CAPACITANCE_METER.html
Print this Page | Comments | Reading(3)
Code: