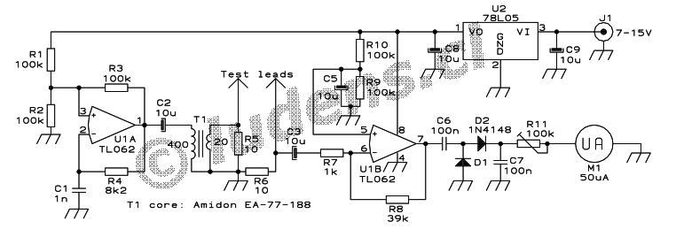
Published:2013/5/9 21:26:00 Author:muriel | Keyword: Equivalent Series , Resistance Meter | From:SeekIC

Reprinted Url Of This Article:
http://www.seekic.com/circuit_diagram/Measuring_and_Test_Circuit/An_Equivalent_Series_Resistance_Meter.html
Print this Page | Comments | Reading(3)
Code: