Published:2009/6/23 3:31:00 Author:Jessie | From:SeekIC

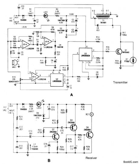
Transmitter operation. Operating power for the transmitter circuit is derived directly from the ac line. The dc power to operate the circuit is generated in two stages, one for an RE power-amplifier stage, and the second for the remainder of the circuit.
The ac line voltage is applied to D1 , which half-wave rectifies the ac input . The resulting dc voltage (approximately 30V under load) is fed across an RC filter (comprised of R1 and C1) and used to operate amplifier, Q1. The second stage of the power supply (composed of LED1, R2, D2, D3, C2, and C3, which forms a regulated +13.6-V, center-tapped supply) feeds the remainder of the circuit. LED1 is connected in series with R2 and is used as a visual power-on indicator for the transmitter.
An electret microphone element (MIC1) is used as the pick-up. The output of the microphone is ac coupled through C5 to UI-a (a noninverting op amp with a gain of about 100). The output of U1-a at pin 1 is ac coupled through C4 to the noninverting input of UI-b (which provides an additional gain of 48) at pin 5. The output of UI-b at pin 7 is then fed through D4 and RIO, and across R11 and C6 to the inverting input of UI-c which is biased to a positive voltage that is set by SENSITIVITY-control R19. This represents a threshold voltage at which the output of UI-c switches from high to low.
During standby, the output of UI-c at pin 8 is held at about 12 V when the voltage developed across C6 is less than the bias-voltage setting at pin 10. When a sound of sufficient intensity and du-ration is detected, the voltage at pin 9 of UI-c exceeds the threshold level (set by R19), causing UI-c's output at pin 8 at go low. That low is applied to pin 2 of U2 (a 555 oscillator/timer configured as a monostable multivibrator). This causes the output of U2 to go high for about one second, as de-termined by the time constant of R12 and C7. The output of U2 at pin 3 is applied to pin 4 of U3 (a second 555 oscillator/timer that is conftgured for astable operation, with a frequency of about 125 kHz). That causes U3 to oscillate, producing a near square-wave output that is used to drive Q1 into conduction. The output of Q1 is applied across a parallel-tuned circuit composed a T1's primary and C8. The tuned circuit, in turn, reshapes the 125-kHz signal, causing a sine-wave-like signal to appear across both the primary and the secondary of Tl.
The signal appearing at T1's secondary (about 1 or 2 V peak-to-peak) is impressed across the ac power line, and is then distributed throughout the building without affecting other electrical appli-ances connected to the line. Transient suppressor D7 is included in the circuit to help protect Q1 from voltage spikes that might appear across the power line and be coupled to the circuit through T1.
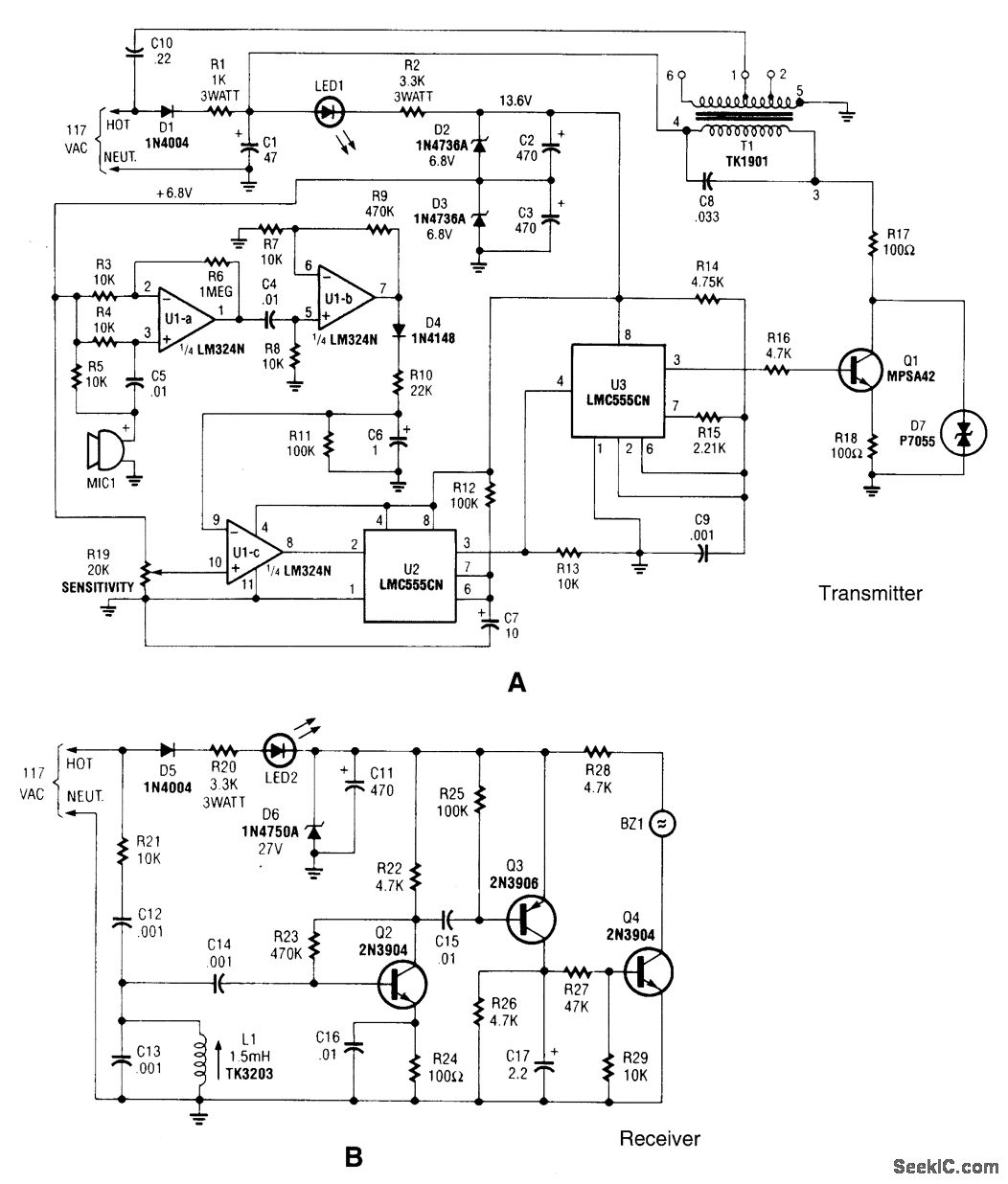
Receiver operation. Power for the receiver, as with the transmitter, is derived from a tradi-tional half-wave rectifier (D5). The resulting dc voltage is regulated to 27 V by D6 and R20, and is then filtered by C11 to provide a relatively clean, dc power source for the circuit. A light-emitting diode, LED2, connected in sGries with R20 provides a visual indication that the circuit is powered and ready to receive a signal.
The 125-kHz signal is plucked from the ac line and coupled through R21 and C12 to a parallel-tuned LO circuit, consisting of C13 and L1. That LO circuit passes 125-kHz signals while attenuating all others. The 125-kHz signal is fed through C14 to the base of Q2 (which is configured as a high-gain linear amplifier), which boosts the relatively low amplitude of the 125-kHz signal. The RE out-put of Q2 is ac coupled to the base of Q3 through C15. Transistor Q3 acts as both an amplifier and detector. Because there is no bias voltage applied to the base of Q3, it remains cut off until driven by the amplified 125-kHz signal. When Q3 is forward biased, its collector voltage rises.
Capacitor C16, connected across Q3's collector resistor, filters the 125-kHz signal so that it is essentially dc. When the voltage at the collector of Q3 rises, Q4 is driven into conduction. That causes current to flow into piezo buzzer BZ1, producing a distinctive audio tone that alerts anyone within earshot that the baby needs attention.
Reprinted Url Of This Article:
http://www.seekic.com/circuit_diagram/Measuring_and_Test_Circuit/BABY_MONITOR.html
Print this Page | Comments | Reading(3)
Code: