Published:2009/6/17 1:56:00 Author:May | From:SeekIC

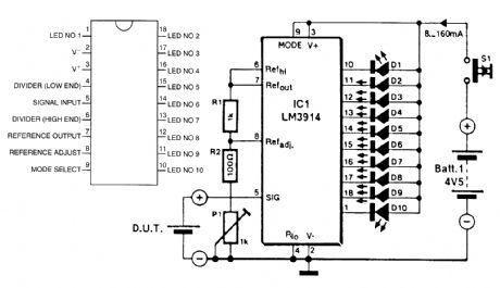
The LM3914A bargraph LED is used here as a voltmeter for battery testing. The circuit is pow-ered by a 4.5-V battery and compares the battery under test with an internally derived reference, set by R1/R2/P1. Each LED of the 10 represent 10% of full scale. For best results, the battery (D.U.T.) should be loaded with an appropriate resistor.
Reprinted Url Of This Article:
http://www.seekic.com/circuit_diagram/Measuring_and_Test_Circuit/BARGRAPH_LED_BATTERY_TESTER.html
Print this Page | Comments | Reading(3)
Code: