Published:2009/6/16 4:04:00 Author:May | From:SeekIC

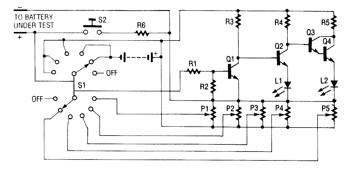
The battery tester uses four transistors and two LEDs to indicate the condition of any battery you want to test. Q3 and Q4 are connected in a Darlington configuration that has extremely high gain. LED L2 lights when a small positive potential appears on the base of Q3. Transistors Q1 and Q2 form a direct-coupled dc-amplifier circuit. The output of this stage drives the red LED L1. Rotary switch 51 is used to select different ranges (which have been previously set by adjusting trimmer resistors PI through P5).The positive (+) lead goes through the selected contacts of S1 to the biasing resistors R3, R4, and R5. The negative (-) lead of the battery under test goes to the ground or common lead of the circuit and the (+) side to one side of P1 through P5.L1 Red LEDL2 Green LEDP1 through P5 5-kΩ trimmer resistorR1 100 kΩR2, R3 33 kΩR4, R5 470 ΩR6 12 Ω 1WS1 2 P6 position NS rotary switchS2, NO pushbutton switchDepending on the position of S1, a particular trimmer resistor (wiper lead) is selected. That lead goes through the contact on S1 to resistor R1 and into the base of npn transistor Q1. If the battery is good enough, (+) voltage goes to the base of Q1, turning it on. This turns Q2 off, which then allows Q3 to turn on. That causes Q4 to turn on and light green LED L2.If the battery is weak, Q1 will not turn on, which will cause Q2 to be biased on by R3, which in turn lights red LED L1. When Q1 is on, it biases the base of Q3 negative, and causes Q3 to be turned off. That prevents L2 from turning on.The circuit operates in the same manner for all ranges except the first two, where a 9-V battery has been added by S1 to be in series with the input voltage to allow for testing of very low voltage batteries. That is because at voltages below 2 Vdc, LEDs will not light and the circuit would be unable to set a low-voltage (<2-V) battery without the additional internal-battery voltage. A load resis-tor has also been included; it allows the battery under test to be connected to a load to give a better indication of its condition. That load resistor is connected across the battery when normally open (NO) switch S2 is depressed.
Reprinted Url Of This Article:
http://www.seekic.com/circuit_diagram/Measuring_and_Test_Circuit/BATTERY_TESTER_.html
Print this Page | Comments | Reading(3)
Code: