Published:2009/7/8 4:07:00 Author:May | From:SeekIC

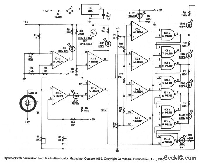
When power is applied to the circuit, the heater coil in the sensor is energized by the 5-V output of IC5, a 7805 voltage regulator. Breathing into the sensor with alcohol on your breath will lower the sensor's resistance; consequently, the input voltage to the detector circuit, will change. The detector circuit consists of quad op amp, IC2 and its associated circuitry. All sections of the detector circuit are calibrated via R3 and R4, and the inputs to each section are controlled by the voltage-divider network R21 through R23.As each section is triggered, the outputs decrease, and sample-and-hold circuits, IC3 and IC4, will latch onto the highest input value and drive the appropriate LED. The different colored LEDs represent alcohol levels front 0 to 0.16%.
If the level of alcohol is above the legal limit, or 0.16%, part of another quad op amp, IC1d, will turn on both the optional buzzer and LED5. That is an indication of a high level of alcohol present in your blood, and you definitely should not drive.
After a test is taken,the sensor takes a few seconds to ready itself for another test. When the sensor is ready, its input to IC1b, adjusted via R2 to a threshold of 0.5 V, causes LED4 (ready) to light. That, in turn, causes IC1c to reset the rest of the circuitry. The last section of IC1 is biased via R15 and R16, and used to indicate a low-battery condition-when the battery voltage drops below 6.8 V-which could result in an inaccurate breath test.
Reprinted Url Of This Article:
http://www.seekic.com/circuit_diagram/Measuring_and_Test_Circuit/BREATH_ALERT_ALCOHOL_TESTER.html
Print this Page | Comments | Reading(3)
Code: