Published:2009/7/15 23:40:00 Author:Jessie | From:SeekIC

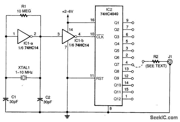
This device is a square-wave generator and frequency divider. A square-wave generator supplies a signal to the cable through a resistance (R2) equal to the characteristic impedance of the cable. Any reflections caused by mistermination will show up on a scope hooked to J1. IC2 acts as a frequency divider to produce various pulse rates for testing long and short cable.
Reprinted Url Of This Article:
http://www.seekic.com/circuit_diagram/Measuring_and_Test_Circuit/CABLE_REFLECTION_TESTER.html
Print this Page | Comments | Reading(3)
Code: