Published:2009/7/15 23:28:00 Author:Jessie | From:SeekIC

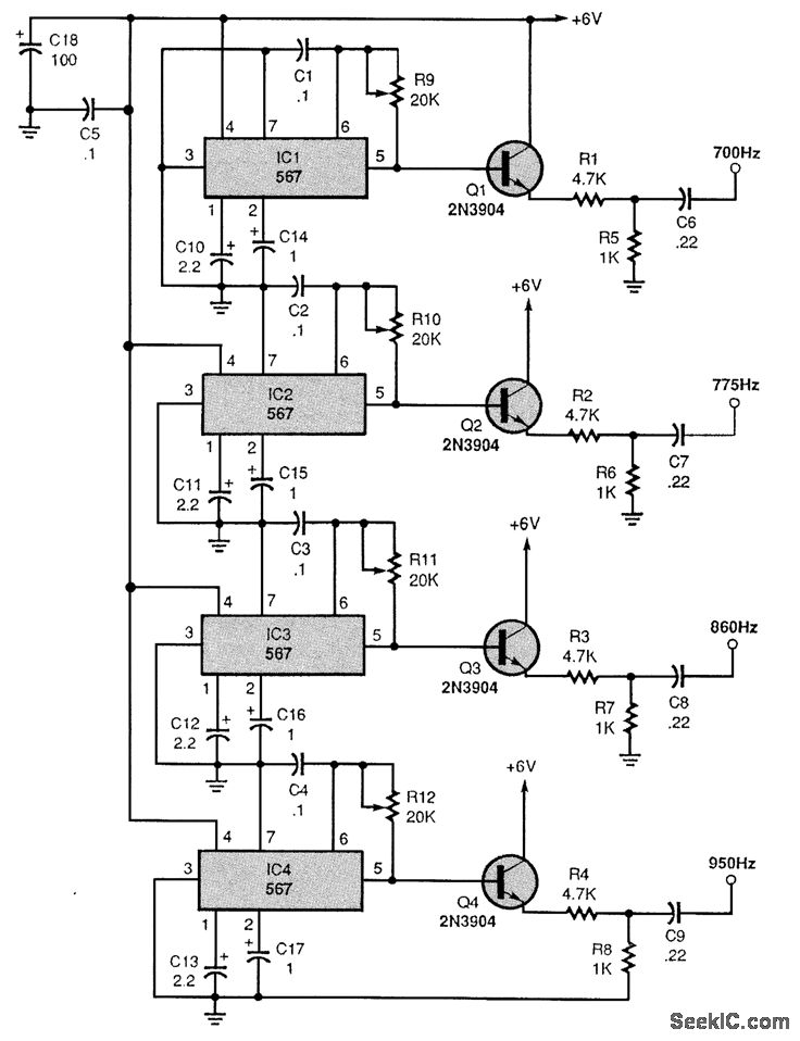
Four 567 tone-decoder ICs, IC1 to IC4, are used to generate four different audio frequencies between 700 and 950 Hz. The capacitor from pin 6 of each 567 to circuit ground, along with the resistor between pins 5 and 6, sets the operating frequency. A 2N3904 NPN transmitter is connected in an emitter-follower circuit to isolate the ICs from output loading. Each output supplies a different audio tone to four wires in a cable.
Reprinted Url Of This Article:
http://www.seekic.com/circuit_diagram/Measuring_and_Test_Circuit/CABLE_TESTER_TRANSMITTER.html
Print this Page | Comments | Reading(3)
Code: