Published:2009/7/13 4:12:00 Author:May | From:SeekIC

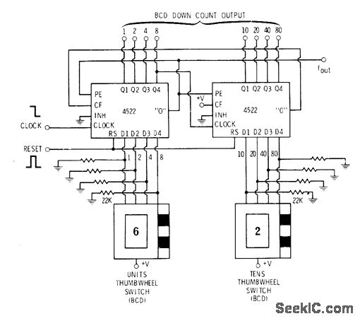
4522 decimal divide-by-N counter is used with BCD thumb-wheel switch for each decade. Output is in BCD format, going down from preset number in range of 0-99. Decoded 0 output of tens stage is connected to CF or carry-forward input of units stage. Only when both counters are in 0 state is 0 output provided. Preset number is then reloaded into counters. -D. Lancaster, CMOS Cookbook, Howard W. Sams, Indianapolis, IN, 1977, p 311-312.
Reprinted Url Of This Article:
http://www.seekic.com/circuit_diagram/Measuring_and_Test_Circuit/CASCADED_DOWN_COUNTER.html
Print this Page | Comments | Reading(3)
Code: