Published:2009/7/14 5:24:00 Author:May | From:SeekIC

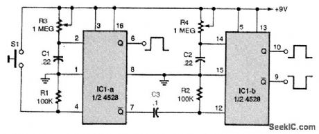
The CMOS timer shown here can easily be cascaded with other similar 4528 circuits. R1C1 and R2C2 determine the timiing.
Reprinted Url Of This Article:
http://www.seekic.com/circuit_diagram/Measuring_and_Test_Circuit/CD4528_CMOS_TIMER.html
Print this Page | Comments | Reading(3)
Code: