Published:2009/7/17 2:23:00 Author:Jessie | From:SeekIC

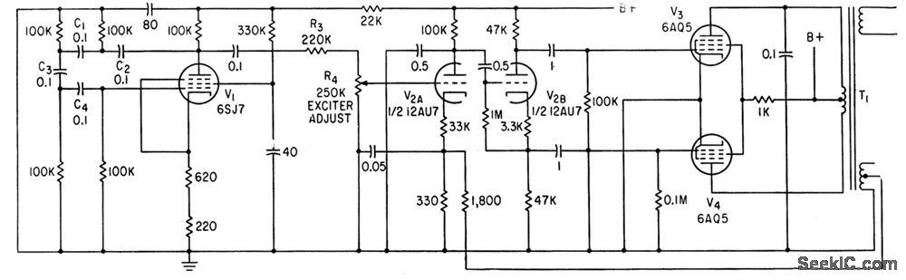
Oscillator V1 and amplifier V2-V3-V4 apply 10-cps signal to magnetic-reluctance transducer held over coating up to 0.040 inch thick, unbalancing transducer and giving output voltage proportional to thickness of coating.
Reprinted Url Of This Article:
http://www.seekic.com/circuit_diagram/Measuring_and_Test_Circuit/COATING_THICKNESS_GAGE.html
Print this Page | Comments | Reading(3)
Code: