Published:2009/7/17 1:39:00 Author:Jessie | From:SeekIC

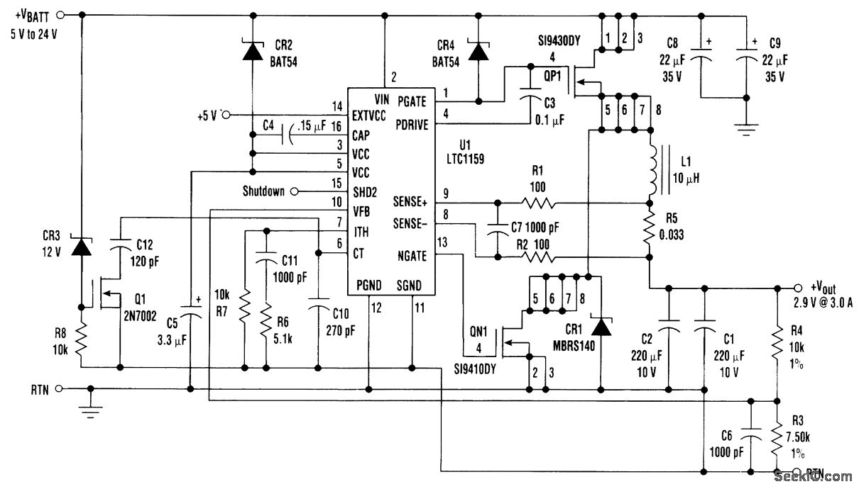
Constant off-time switching regulators offer several advantages over constant-frequency designs The only potential problem is that the switching frequency Increases with nsmg input voltage In designs that have large ratios of the high line to low-line supply voltage,this frequency shift can get quite large As a result,the switching losses can become excesslve at high input voltages To offset this problem,the simple circuit shown detects the high input voltage condition and lowers the switching frequency to keep switching losses under control The frequency-shift circuit consists of D3,R8,Q1,and C12 When Vin exceeds the zener voltage plus the FET threshold,Q1 turns on and adds an extra timing capacitor(C12) in parallel with the timing capacitor (C10) This increases the off-time,lowering the frequency.
Reprinted Url Of This Article:
http://www.seekic.com/circuit_diagram/Measuring_and_Test_Circuit/CONSTANT_OFF_TIME_REGULATOR_WITH_FREQUENCY_COMPENSATION.html
Print this Page | Comments | Reading(3)
Code: