Published:2009/7/10 4:49:00 Author:May | From:SeekIC

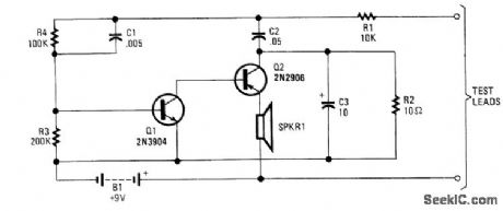
A continuity tester that has an audible indicator can be more useful in some cases than a visual indicator, because you need not take your eyes from the job at hand. Q1 and Q2 form an audio oscillator. When the test leads are connected to a continuous circuit, the oscillator operates, and sounds a tone from the speaker.
Reprinted Url Of This Article:
http://www.seekic.com/circuit_diagram/Measuring_and_Test_Circuit/CONTINUITY_TESTER_1.html
Print this Page | Comments | Reading(3)
Code: