Published:2009/7/13 3:23:00 Author:May | From:SeekIC



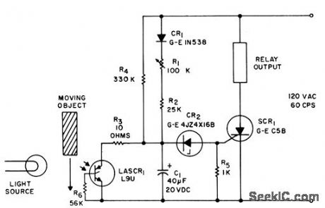
Will shut down conveyor line rapidly to prevent catastrophic jam, while ignoring small self-clearing pileups. Each time light beam is interrupted, light-activated scr is briely commutated by a-c line. C1 starts to charge but is shorted to zero as light is restored. If light path is blocked more than a few millisec, C1 continues to charge and fires SCR1 to stop conveyor.- Silicon Controlled Rectifier Manual, Third Edition, General Electric Co.1964, p 214.
Reprinted Url Of This Article:
http://www.seekic.com/circuit_diagram/Measuring_and_Test_Circuit/CONVEYOR_MONITOR.html
Print this Page | Comments | Reading(3)
Code: