Published:2009/7/7 3:17:00 Author:May | From:SeekIC

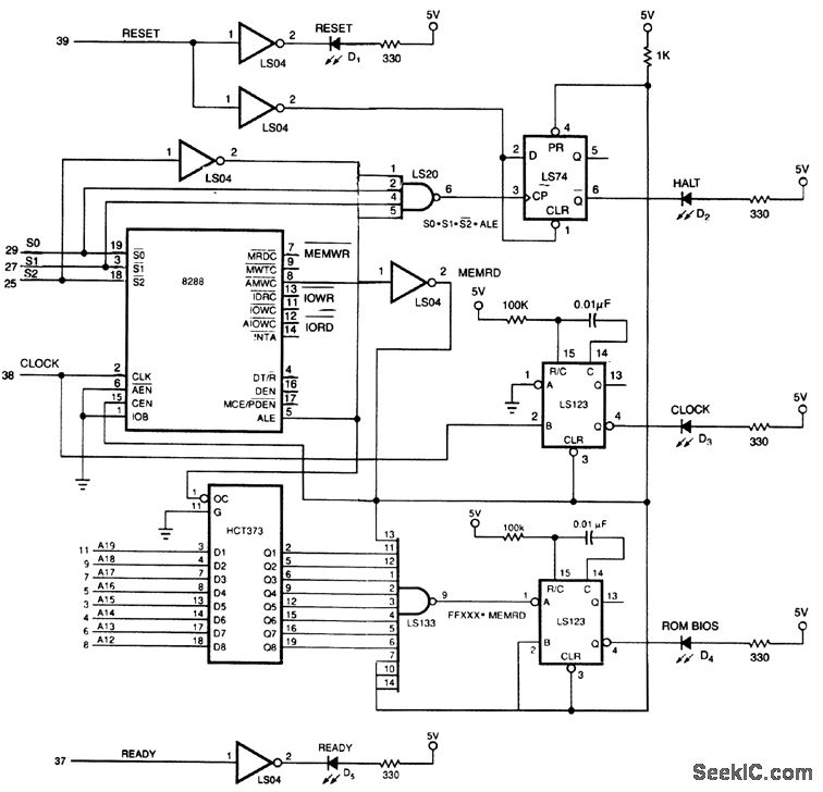
The IBM PC debugger plugs into the PC's math-coprocessor socket.The 8288 bus controller, IC1, regenerates control signals from the processor's status signals, S0, S1, and S2. Reset LED D1 lights if reset is active and holding the processor. Clock status LED D3 indicates that the processor is receiving a toggling clock signal. The address-decode logic detects when the processor is doing a jump-on-reset to the PC's BIOS ROM's power-on; self-test then detects a fatal error and halts the processor.
Reprinted Url Of This Article:
http://www.seekic.com/circuit_diagram/Measuring_and_Test_Circuit/COPROCESSOR_SOCKET_DEBUGGER.html
Print this Page | Comments | Reading(3)
Code: