Published:2012/8/29 21:18:00 Author:Ecco | Keyword: Celsius thermometer | From:SeekIC

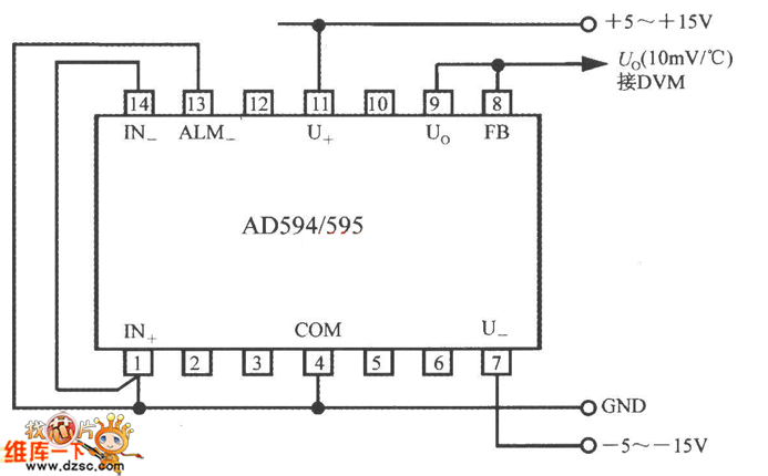
AD594/595 can also be configured to the Celsius thermometer, and the circuit is shown as the figure. The IN + and IN - ends should be connected with COM in short circuit, the temperature coefficient of the output voltage Uo is 10mV / ℃, and it can be served in the DVM to measure and display the temperature value.
Reprinted Url Of This Article:
http://www.seekic.com/circuit_diagram/Measuring_and_Test_Circuit/Celsius_thermometer_circuit_diagram_with_AD594.html
Print this Page | Comments | Reading(3)
Code: