Published:2011/6/9 3:58:00 Author:Vicky | Keyword: Comparative Capacitance Gradienter, | From:SeekIC


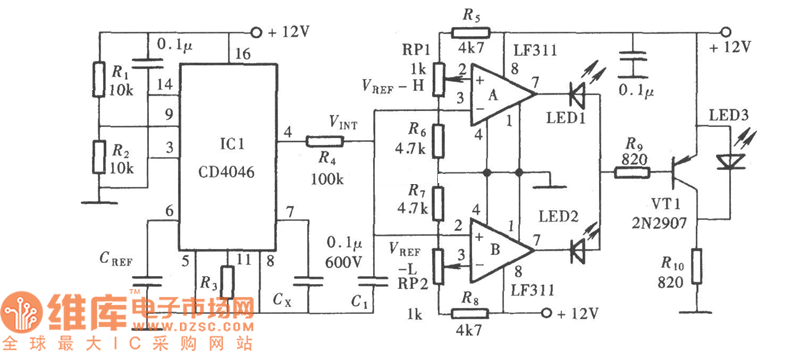
Comparative Capacitance Gradienter is used to make comparison between the tested capacitance and standard capacitance and test whether the capacity of the tested capacitance is more or less than the standard value. Comparative Capacitance Gradienter can be used to test whether some product meets the design standard or not quickly, so as to make sure that the quality of products meets the requirement. The circuit composition is as shown in the picture.
Reprinted Url Of This Article:
http://www.seekic.com/circuit_diagram/Measuring_and_Test_Circuit/Comparative_Capacitance_Gradienter_Circuit_Diagram.html
Print this Page | Comments | Reading(3)
Code: