Published:2009/7/9 22:14:00 Author:May | From:SeekIC

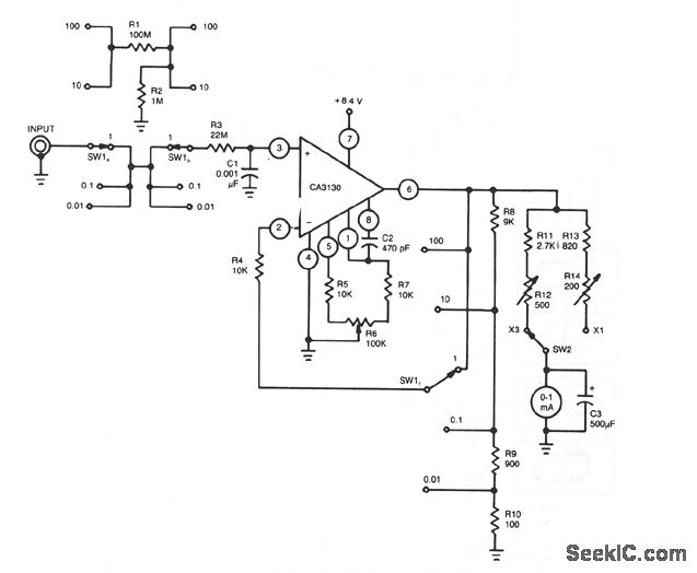
This dc voltmeter, with high input resistance, uses a CA3130 BiMOS op amp and measures voltages from 10 mV to 300 V. Resistors R12 and R14 are used individually to calibrate the meter for full-scale deflection. Potentiometer R6 is used to null the op amp and meter on the 10-mV range by shorting the input terminals, then adjusting R6 for the first indication of upscale meter deflection.
Reprinted Url Of This Article:
http://www.seekic.com/circuit_diagram/Measuring_and_Test_Circuit/DC_VOLTIETER.html
Print this Page | Comments | Reading(3)
Code: