Published:2009/6/17 4:03:00 Author:May | From:SeekIC

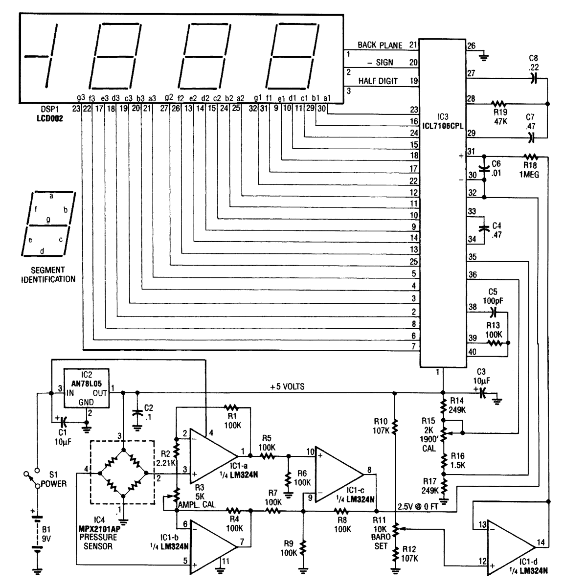
A pressure sensor (IC4) is used with a dc amplifier to convert the bridge output (IC4) to a sin-gle-ended voltage. ICld provides a reference voltage for setting barometric pressure. IC3 is an A/D converter manufactured by Intersil. This drives an LCD module. Calibration reads out in fact. A vac-uum pump and a water-based manometer can be used for sensor calibration.
Reprinted Url Of This Article:
http://www.seekic.com/circuit_diagram/Measuring_and_Test_Circuit/DIGITAL_ALTIMETER.html
Print this Page | Comments | Reading(3)
Code: