Published:2009/6/19 2:02:00 Author:May | From:SeekIC



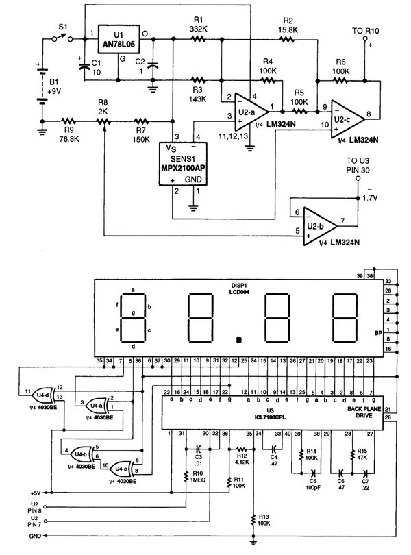
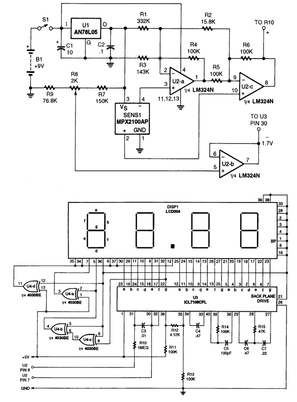
A pressure sensor is used in this application. This outputs a voltage to amplifier U2, and a 3 1/2 digit A/D converter module. It is calibrated to read barometric pressure in inches of mercury.
Reprinted Url Of This Article:
http://www.seekic.com/circuit_diagram/Measuring_and_Test_Circuit/DIGITAL_BAROMETER.html
Print this Page | Comments | Reading(3)
Code: