Published:2009/6/19 3:53:00 Author:May | From:SeekIC

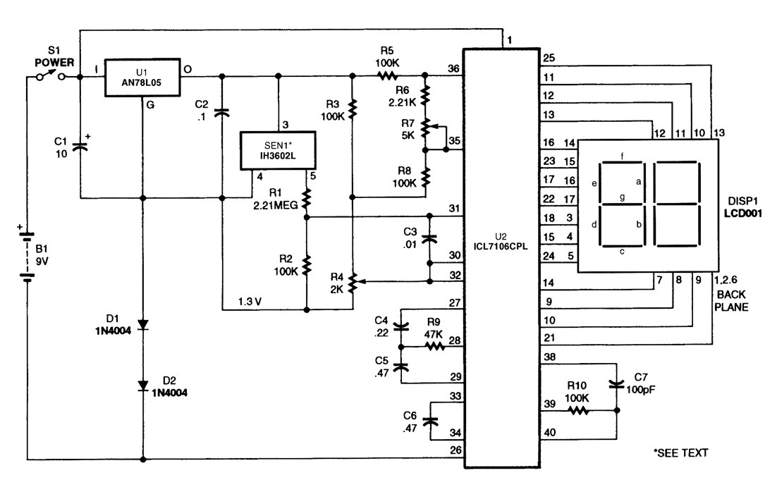
Sensor SEN1 outputs a dc voltage that varies linearly with relative humidity. This dc voltage is fed through R1 and R2 to A/D converter chip U2. Zero set is performed with R4. The LCD display is calibrated with R7 to read 0 to 100 percent.
Reprinted Url Of This Article:
http://www.seekic.com/circuit_diagram/Measuring_and_Test_Circuit/DIGITAL_RELATIVE_HUMIDITY_GAUGE.html
Print this Page | Comments | Reading(3)
Code: