Published:2009/6/19 4:13:00 Author:May | From:SeekIC

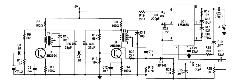
XTAL1 drives amplifjer Q3/Q4, which is tuned to 2.25 MHz. The detected signal is fed to audio amp!ifier IC1. A 9-V supply is used. The circuit operates at 2.25 MHz and is designed to be used with an ultrasonic sound transmitter at this frequency.
Reprinted Url Of This Article:
http://www.seekic.com/circuit_diagram/Measuring_and_Test_Circuit/DOPPLER_ULTRASOUND_RECEIVER.html
Print this Page | Comments | Reading(3)
Code: