Published:2009/6/18 2:44:00 Author:May | From:SeekIC

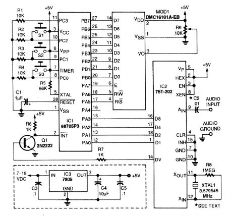
This DTMF decoder uses a Motorola 68705P3 microcontroller and a 75T202 DTMF receiver (Sil-icon Systems, Inc.). An LCD module is used for the display (MOD1). Switch S1 is used to scroll the display, S2 clears the display, and 53 clears the memory.
Reprinted Url Of This Article:
http://www.seekic.com/circuit_diagram/Measuring_and_Test_Circuit/DTMF_DECODER.html
Print this Page | Comments | Reading(3)
Code: