Published:2009/7/10 4:15:00 Author:May | From:SeekIC

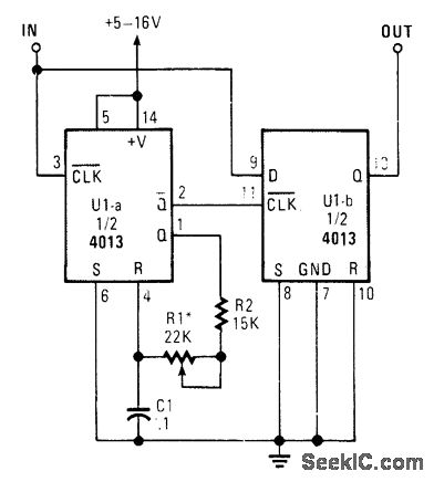
This circuit looks at the time an incoming pulse is high. If the incoming pulse is shorter than the adjusted (VAR1) pulse, the output of U1B is high. Values are shown for a 1-to 2-μs pulse.
Reprinted Url Of This Article:
http://www.seekic.com/circuit_diagram/Measuring_and_Test_Circuit/DUTY_CYCLE_DETECTOR.html
Print this Page | Comments | Reading(3)
Code: