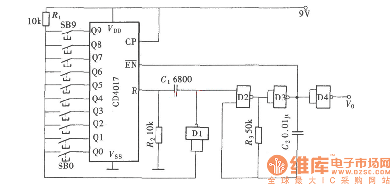
Published:2011/6/15 8:11:00 Author:Vicky | Keyword: Diagram of 1 to 9 Pulse Selection Circuit, | From:SeekIC

Reprinted Url Of This Article:
http://www.seekic.com/circuit_diagram/Measuring_and_Test_Circuit/Diagram_of_1_to_9_Pulse_Selection_Circuit.html
Print this Page | Comments | Reading(3)
Code: