Published:2011/6/9 4:05:00 Author:Vicky | Keyword: Digital Level Monitor, | From:SeekIC

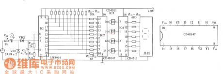
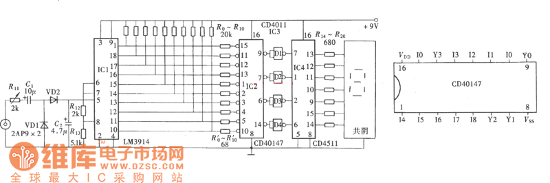
As is shown in the picture, digital level monitor can display the outgoing sound volume of sound amplifier by numbers. Because it adopts one digit display tube, the level it can display is from 1 to 9.
Reprinted Url Of This Article:
http://www.seekic.com/circuit_diagram/Measuring_and_Test_Circuit/Digital_Level_Monitor_Circuit_Diagram.html
Print this Page | Comments | Reading(3)
Code: