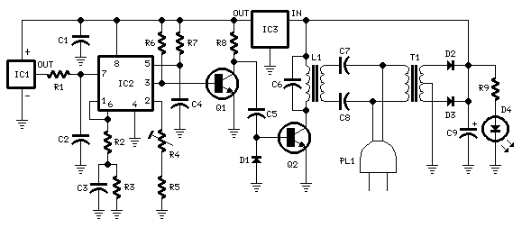
Published:2012/12/24 21:27:00 Author:muriel | Keyword: Digital Remote Thermometer | From:SeekIC

Reprinted Url Of This Article:
http://www.seekic.com/circuit_diagram/Measuring_and_Test_Circuit/Digital_Remote_Thermometer.html
Print this Page | Comments | Reading(3)
Code: