Published:2013/7/23 21:19:00 Author:muriel | Keyword: Digital Remote Thermometers | From:SeekIC

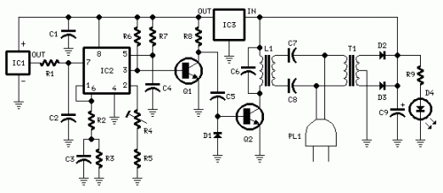
Transmitter parts:R1,R3 100K 1/4W ResistorsR2 47R 1/4W ResistorR4 5K 1/2W Trimmer CermetR5 12K 1/4W ResistorR6 10K 1/4W ResistorR7 6K8 1/4W ResistorR8,R9 1K 1/4W ResistorsC1 220nF 63V Polyester CapacitorC2 10nF 63V Polyester CapacitorC3 1µF 63V Polyester CapacitorC4,C6 1nF 63V Polyester CapacitorsC5 2n2 63V Polyester CapacitorC7,C8 47nF 400V Polyester CapacitorsC9 1000µF 25V Electrolytic CapacitorD1 1N4148 75V 150mA DiodeD2,D3 1N4002 100V 1A DiodesD4 5mm. Red LEDIC1 LM35 Linear temperature sensor ICIC2 LM331 Voltage-frequency converter ICIC3 78L06 6V 100mA Voltage regulator ICQ1 BC238 25V 100mA NPN TransistorQ2 BD139 80V 1.5A NPN TransistorL1 Primary (Connected to Q2 Collector): 100 turnsSecondary: 10 turnsWire diameter: O.2mm. enameledPlastic former with ferrite core. Outer diameter: 4mm. T1 220V Primary, 12+12V Secondary 3VA Mains transformerPL1 Male Mains plug & cable
Reprinted Url Of This Article:
http://www.seekic.com/circuit_diagram/Measuring_and_Test_Circuit/Digital_Remote_Thermometers.html
Print this Page | Comments | Reading(3)
Code: