Published:2012/8/13 22:23:00 Author:Ecco | Keyword: Direct-reading , LC meter | From:SeekIC

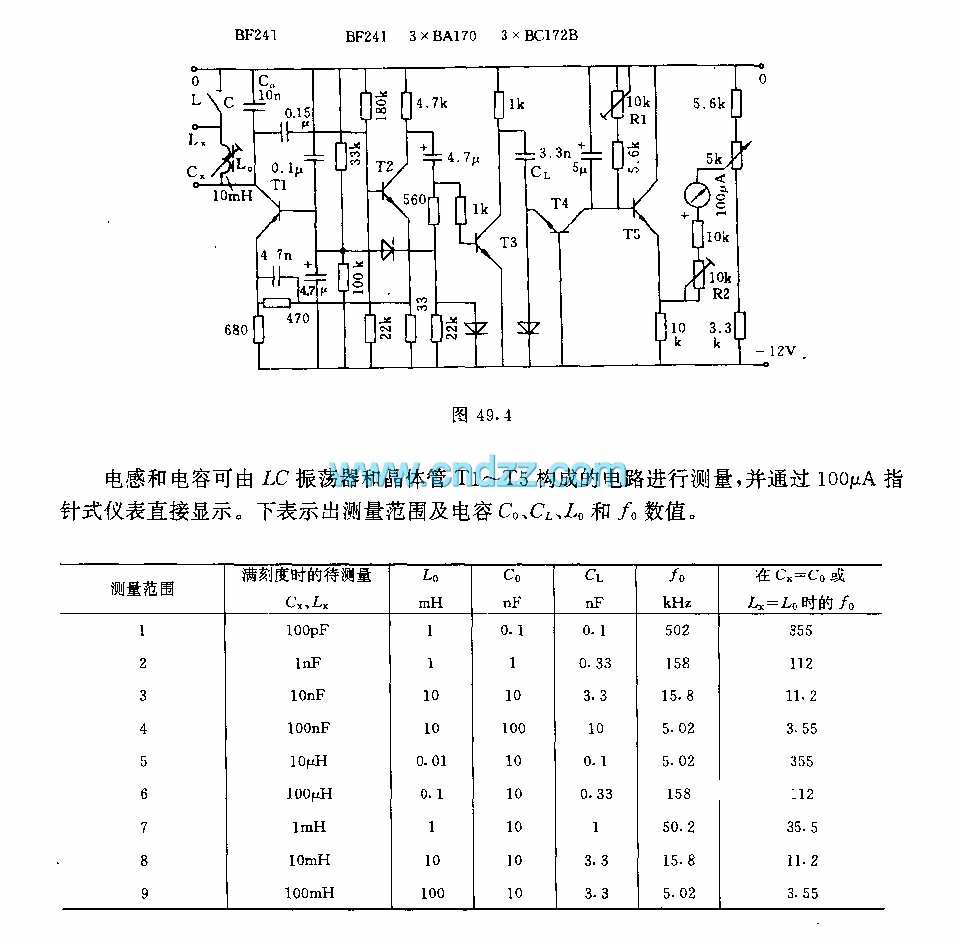
Inductor and capacitor can be tested by the circuit composed of LC oscillator and transistors T1 ~~ T5, and displayed directly by 100μA pointer instrument. The following table shows the measurement range and values of capacitors C0 , CL , L0 and f0.
Reprinted Url Of This Article:
http://www.seekic.com/circuit_diagram/Measuring_and_Test_Circuit/Direct_reading_LC_meter_circuit.html
Print this Page | Comments | Reading(3)
Code: