Published:2009/7/19 20:49:00 Author:Jessie | From:SeekIC

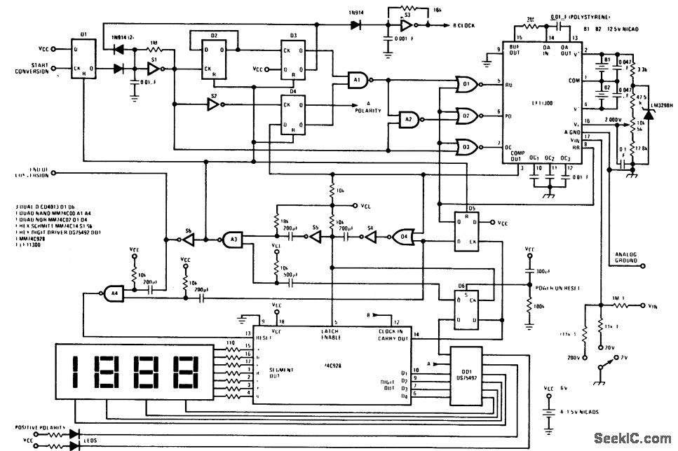
Dual-polarity 31/2-digit voltmeter. The complete circuit of nine packages and external components can be built on a 3- by 5-inch circuit board (coudesy National Semiconductor Corporation).
Reprinted Url Of This Article:
http://www.seekic.com/circuit_diagram/Measuring_and_Test_Circuit/Dual_polarity_3_1_2_digit_voltmeter.html
Print this Page | Comments | Reading(3)
Code: