Published:2009/7/7 5:11:00 Author:May | From:SeekIC

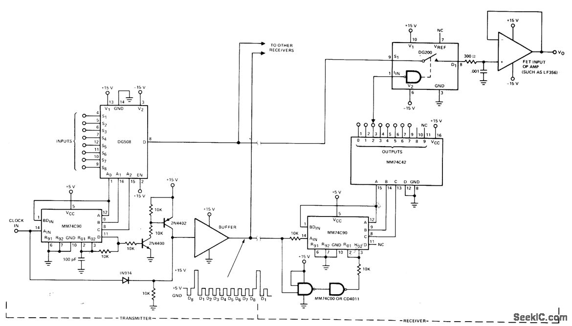
Multiplex transmission system permits monitoring eight different inputs at remote location, 5-V pulse train is sent down separate channel to receiving location to perform timing and synchronizing functions for outputs of MM74C42 BCD-to-decimal decoder. 15-V reset pulse is superimposed on 5-V clock. Other receivers can be added if monitoring is desired at more than one location.- Analog Switches and Their Applications, Siliconix, Santa Clara, CA, 1976, p 7-71-7-72.
Reprinted Url Of This Article:
http://www.seekic.com/circuit_diagram/Measuring_and_Test_Circuit/EIGHT_CHANNEL_TELEMETER.html
Print this Page | Comments | Reading(3)
Code: