Published:2009/7/3 3:09:00 Author:May | From:SeekIC

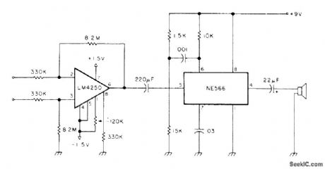
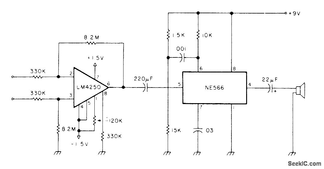
Developed for experimentation or educational demonstrations in which audience listens to electrocardiograph signal voltage as fed through LM4250 opamp for modulating NE566 connected as VCO driving small loudspeaker. Acoustic output can be picked up by microphone for telemetry purposes if desired. Connection to patient can be made with standard adhesive monitoring electrodes or with small metal disks held on wfists with rubber bands. Tone shifts frequency with each pulse beat.-M. I. Leavey, lnexpensive EKG Encoder, 73 Magazine, Feb. 1978, p 20-23.
Reprinted Url Of This Article:
http://www.seekic.com/circuit_diagram/Measuring_and_Test_Circuit/EKG_TELEMETER.html
Print this Page | Comments | Reading(3)
Code: