Published:2009/7/14 2:50:00 Author:May | From:SeekIC

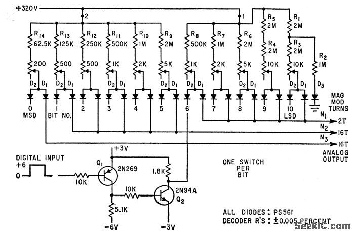
Well-regulated transistor power supply and binary-weighted network of precision wire-wound resistors give high-precision conversion of 11-bit digital value to current analog. Output goes to magnetic modulator. Regulated 320-v supply(not shown) uses silicon junction diodes in full-wave bridge, with silicon zener diode as reference.-N. Aron,Precise Converter Takes Current Analog of Digital Voltage Pulses, Electronics,35:32, p 68-71.
Reprinted Url Of This Article:
http://www.seekic.com/circuit_diagram/Measuring_and_Test_Circuit/ELEVEN_BIT_DECODER.html
Print this Page | Comments | Reading(3)
Code: