Published:2009/7/7 8:36:00 Author:May | From:SeekIC

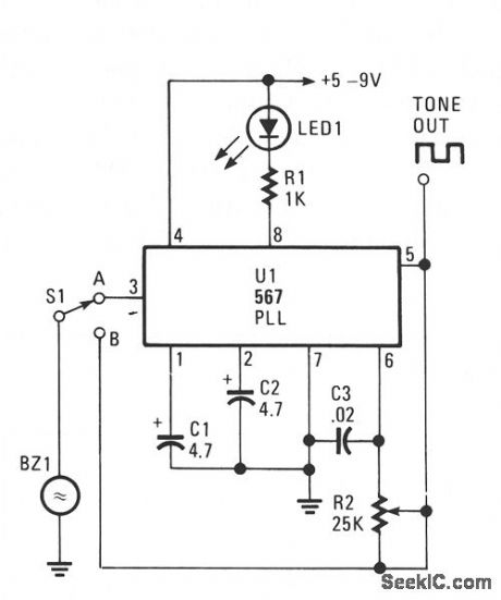
The transducer circuit can be operated as either a tone encoder or decoder by changing the position of S1. The operating frequency of that dual-purpose circuit is determined by C3 and R2.Capacitors C1 and C2 are not critical and can be of almost any value between 1 and 5 mf. When the circuit is receiving an on-frequency signal, LED1 lights. Although a two wire piezo transducer with a resonance frequency of 2500 Hz was used in the circuit, any piezo unit should work-as long as the values of C3 and R2 are selected to tune to the transducer's operating frequency.
With power on and S1 in the B position, adjust R2 for the loudest tone output. The circuit should be tuned to the resonance frequency of the trans-ducer. In that position, the circuit can be used as an acoustical or tone signal encoder. Next, switch to the A position and aim an on-frequency audible tone toward the transducer; the LED should light, indicating a decoded signal.
Reprinted Url Of This Article:
http://www.seekic.com/circuit_diagram/Measuring_and_Test_Circuit/ENCODER_DECODER.html
Print this Page | Comments | Reading(3)
Code: