Published:2009/6/17 4:00:00 Author:May | From:SeekIC

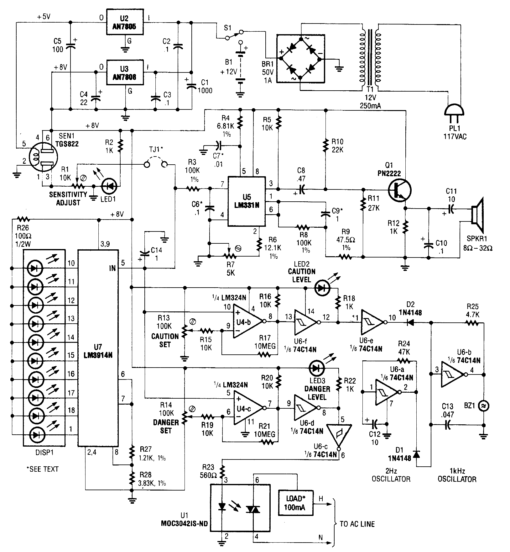
A gas sensor (TGS823 from Allegro Electronics, Cornwall Bridge, CT 06754) conducts in the presence of explosive gases. U5 is a voltage-to-frequency converter that produces a frequency proportional to the sensor conductance. The output frequency ranges from 100 Hz in clean air to 8 kHz in a contaminated atmosphere. The dc voltage from the sensor also drives bar graph LED U7 and comparators U4-b and U4-c to sense present caution and danger levels. U1 drives an ac load up to 100 mA (relay, indicator, alarm, etc.).
Reprinted Url Of This Article:
http://www.seekic.com/circuit_diagram/Measuring_and_Test_Circuit/EXPLOSIVE_GAS_DETECTOR.html
Print this Page | Comments | Reading(3)
Code: