Published:2009/6/18 3:45:00 Author:May | From:SeekIC




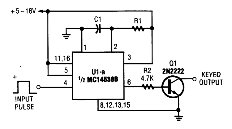
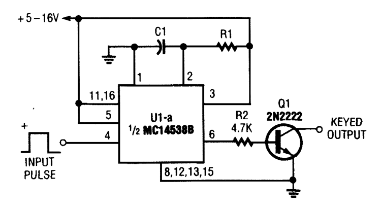
Half of a Motorola MC14538B dual, precision, retriggerable monostable multivibrator is used to form an extended on-time timer circuit. That type of circuit can be used as a switch debouncer. Such circuits are often used in digital circuitry, where each and every bounce of a switch contact is seen as a separate digital input.The delay on tirne (established by C1 and R1) is easily set using the formula, C1xR1, =T, where C1 is in microfarads,R1, is in megohms, and T is in seconds.
Reprinted Url Of This Article:
http://www.seekic.com/circuit_diagram/Measuring_and_Test_Circuit/EXTENDED_ON_TIME_TIMER.html
Print this Page | Comments | Reading(3)
Code: