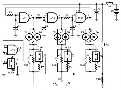
Published:2012/12/23 20:58:00 Author:muriel | Keyword: E-B-C Transistor, Pin Identifier | From:SeekIC

Reprinted Url Of This Article:
http://www.seekic.com/circuit_diagram/Measuring_and_Test_Circuit/E_B_C_Transistor_Pin_Identifier.html
Print this Page | Comments | Reading(3)
Code: