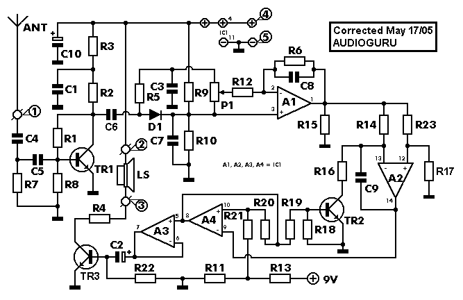
Published:2013/2/17 20:25:00 Author:muriel | Keyword: Electronic Eavesdropping Devices, Detector | From:SeekIC

Reprinted Url Of This Article:
http://www.seekic.com/circuit_diagram/Measuring_and_Test_Circuit/Electronic_Eavesdropping_Devices_Detector.html
Print this Page | Comments | Reading(3)
Code: