Published:2011/11/3 1:26:00 Author:May | Keyword: Environmental noise monitoring | From:SeekIC

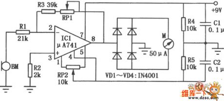
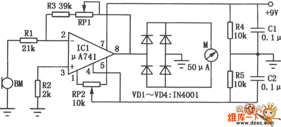
Environmental noise monitoring circuit is shown in the diagram. It mainly consists of high-gain operational amplifier μA741. The noise signal measured and displayed by ampere meter. Operational amplifier IC1 isconnected as thenoise amplifier, then thedetected noisesignla is added to IC1's reverse input end bymicrophone BM,then it is full-wave rectified by diodes VD1~VD4 after enlarging, finally it makesthe ampere meter deflection to display the strength of environmental noise. When it is adjusted, firstly, the two ends of microphone are short connected, then adjusting thezero potentiometer PR2 canmake ampere meter display 0. Adjusting potentionmeter PR1 can change ampere meter sensitivity.
Reprinted Url Of This Article:
http://www.seekic.com/circuit_diagram/Measuring_and_Test_Circuit/Environmental_noise_monitoring_circuit.html
Print this Page | Comments | Reading(3)
Code: