Published:2009/7/15 20:36:00 Author:Jessie | From:SeekIC

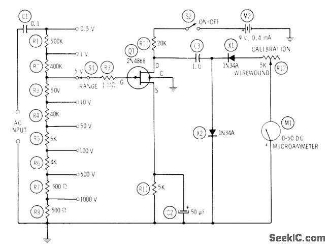
Covers 0-1000 VRMS in eight ranges. Frequency response referred to 1 kHz is down 3.5 dB at 50 Hz and down 2 dB at 50 kHz. Meter deflection is proportional to average value of AC signal voltage, but meter can be calibrated to read RMS voltages on sine-wave basis. Use 1% resistors for voltage divider. Useful for audio and ultrasonic measurements and tests.-R. P. Turner, FET Circuits, Howard W. Sams, Indianapolis, IN, 1977, 2nd Ed., p 122-124.
Reprinted Url Of This Article:
http://www.seekic.com/circuit_diagram/Measuring_and_Test_Circuit/FET_AC_VOLTMETER.html
Print this Page | Comments | Reading(3)
Code: