Published:2009/7/15 20:30:00 Author:Jessie | From:SeekIC

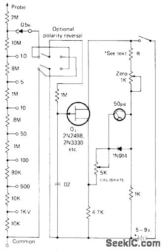
Voltage divider provides 22-megohm resistance for FET version of VTVM. JFET Q, is used as source follower, Meter is connected in bridge that is balanced with 1K zero-adjust pot. With proper selection of R, pot can also be used to set zero point of circuit to half scale. Accuracy depends primarily on divider chain. Total current drain rarely exceeds 1 mA, giving long life for almost any type of battery.- I. Math, Math's Notes, CQ, Oct. 1974, p 26-27.
Reprinted Url Of This Article:
http://www.seekic.com/circuit_diagram/Measuring_and_Test_Circuit/FET_VOLTMETER_2.html
Print this Page | Comments | Reading(3)
Code: