Published:2009/6/28 22:18:00 Author:May | From:SeekIC

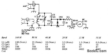
Useful for antenna experiments and ad justments in amateur bands from 160 to 10 meters. Increasing size of pickup antenna increases sensitivity. Far-field measurements are made with alternate input circuit, in which reference dipole or quarter-wave wire cut for frequency of interest is connected to input link. Diodes are 1N34A germanium or equivalent. M1 is 50μA. Table gives values of tuned-circuit components for six amateur bands.-D. DeMaw, A Simple Field-Strength Meter and How to Calibrate It, QST, Aug. 1975, p21-23.
Reprinted Url Of This Article:
http://www.seekic.com/circuit_diagram/Measuring_and_Test_Circuit/FIELD_STRENGTH_METER.html
Print this Page | Comments | Reading(3)
Code: