Published:2009/6/28 23:07:00 Author:May | From:SeekIC

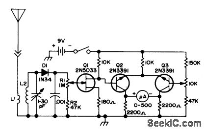
Developed for tuning all types of antennas, from mobile whips to four-element quads. Avoids shielding and other problems of switched T pads for calibrated attenuator by first detecting RF, then attenuating DC output. Technique has added advantage that circuit is no longer frequency-sensitive. To cover 13-24 MHz, L2 is 11 tums spaced out to about 1 inch, with 2 turns overtop for L1. D1 can be any diode such as 1N34. R1 serves as calibrated attenuator, with R2 in series giving 0-dB point at junction. Article covers construction and operation.-J. L. liffe, An Amplified, Cali-brated, Signal Strength Meter, 73 Magazine, June 1973, p 85-86.
Reprinted Url Of This Article:
http://www.seekic.com/circuit_diagram/Measuring_and_Test_Circuit/FIELD_STRENGTH_METER_2.html
Print this Page | Comments | Reading(3)
Code: