Published:2009/6/19 3:33:00 Author:May | From:SeekIC

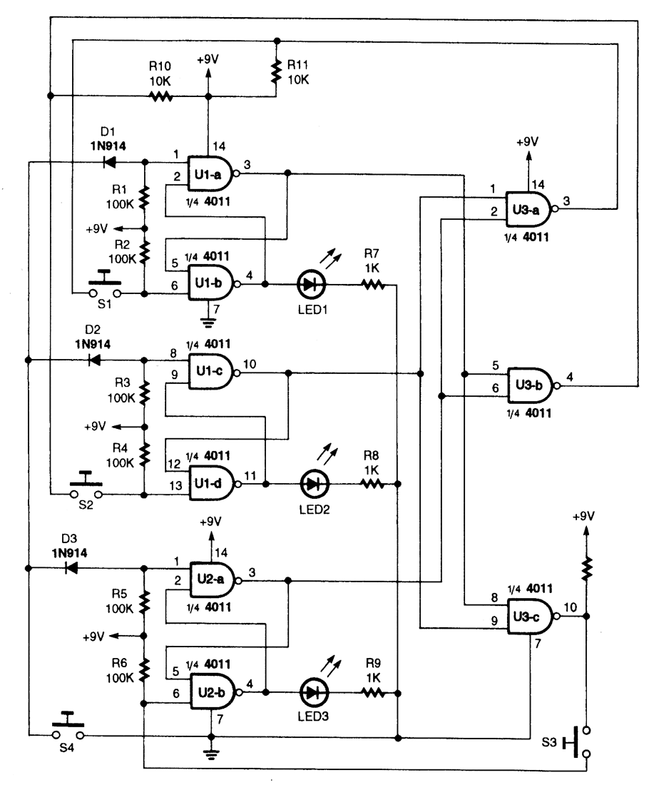
Three interlocked flip-flops enable the detection of the first input. S1, S2, and S3 are inputs.Analog switches controlled by logic gates, or other logic circuitry could be sub-statement for S1, S2, and S3.
Reprinted Url Of This Article:
http://www.seekic.com/circuit_diagram/Measuring_and_Test_Circuit/FIRST_RESPONSE_MONITOR_I.html
Print this Page | Comments | Reading(3)
Code: