Published:2009/7/16 5:26:00 Author:Jessie | From:SeekIC

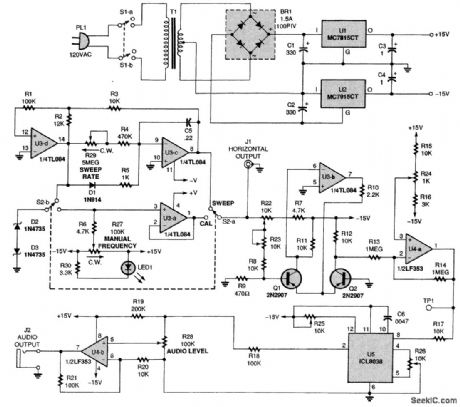
The two quad op-amp sections, U3-c and U3-d, are configured as a linear ramp generator. With switch S2 in the SWEEP position, as shown, the output of U3-d is low. Zener diodes D2 and D3 limit that output to about -7V, which is the 6.2-V reverse drop across D3 plus the forward drop of D2. The internal short-circuit protection of the op amp limits the zener current to several milliamperes. Because the output of U3-d is negative, integrator U3-c generates a linear ramp in a positive direction, at a rate determined by the resistance of R4 and R29 and the capacitance of C5. A portion of that output is fed back to the noninverting input of U3-d. Because U3-d is basically operating as a comparator with its inverting input grounded, its output will switch positive as soon as its noninverting input crosses zero volts. The overall effect is to produce a saw tooth waveform with an amplitude of over 10-V p-p. That is more than sufficient for just about any scope's horizontal input. Next, the linear ramp under-goes a series of level and offset adjustments via resistors R7, R8, R9, R22, and R23, and is then applied to the base of Q1. The emitter-coupled transistors, Q1 and Q2, in combination with U3-b, produce an antilog transfer function. The output at the collector of Q2 will be logarithmic with respect to the in-put, yielding a one-decade voltage differential for every few volts of input. Next, U4-a inverts the polarity of the signal, so that it starts high and ends low. That is necessary because the output frequency of the 8038 function generator, U5, is inversely proportionalto its input voltage. The ICL8038 function generator produces constant-amplitude sine waves, as well as triangle- and square-wave outputs, from 20 Hz through 20 kHz. Also, its output frequency is nearly a perfect inverse proportional to its in-put voltage, so driving its input with a logarithmic sweep circuit will produce the balanced, three-decade frequency sweep. The sine-wave output from U5 is fed to the voltage divider made up of R18 and R19, which restores the dc offset to zero. The voltage-divider output is then applied to potentiometer R28 for output-level control, and is subsequently routed to U4-b for a boost in both amplitude- and current-drive capability. The output can range from 0 to over 10 V p-p.
Reprinted Url Of This Article:
http://www.seekic.com/circuit_diagram/Measuring_and_Test_Circuit/FREQUENCY_RESPONSE_TESTER.html
Print this Page | Comments | Reading(3)
Code: