Published:2009/7/7 7:10:00 Author:May | From:SeekIC

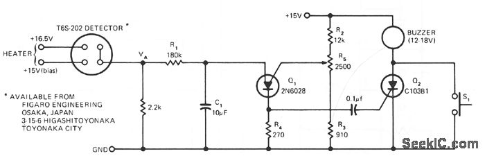
The sensor is based on the selective absorption of hydrocarbons by an n-type metal-oxide surface. The heater in the device serves to burn off the hydrocarbons once smoke or gas is no longer present in the immediate area; hence, the device is reuseable. When initially turned on, a 15 minute warm-up period is required to reach equilibrium (VA ≌ 0.6 V) in a hydrocarbon-free environment. When gas or smoke is introduced near the sensor, VA will quickly rise (rate and fmal equilibrium depend on the type of gas and concentration) and trigger Q1, a programmable unijunction transistor. The voltage pulse generated across R4 triggers Q2, sounding the buzzer until S1 resets the unit. R1 and C1 give a tiine delay to prevent small transient waves of smoke, such as from a cigarette, from triggering the alarm. Triggering threshold is set by R5, R2, and R3; with the components shown, between 50 and 200 ppm of hydrocarbons can be easily detected. Since it is somewhat sensitive to heater voltage, a regulated supply should be used. Power requirements are 1.5 V at 500 mA for the heater and 15 V at 30 mA, depending on type of buzzer, for the bias supply.
Reprinted Url Of This Article:
http://www.seekic.com/circuit_diagram/Measuring_and_Test_Circuit/GAS_SMOLE_DETECTOR.html
Print this Page | Comments | Reading(3)
Code: