Published:2009/6/17 3:52:00 Author:May | From:SeekIC

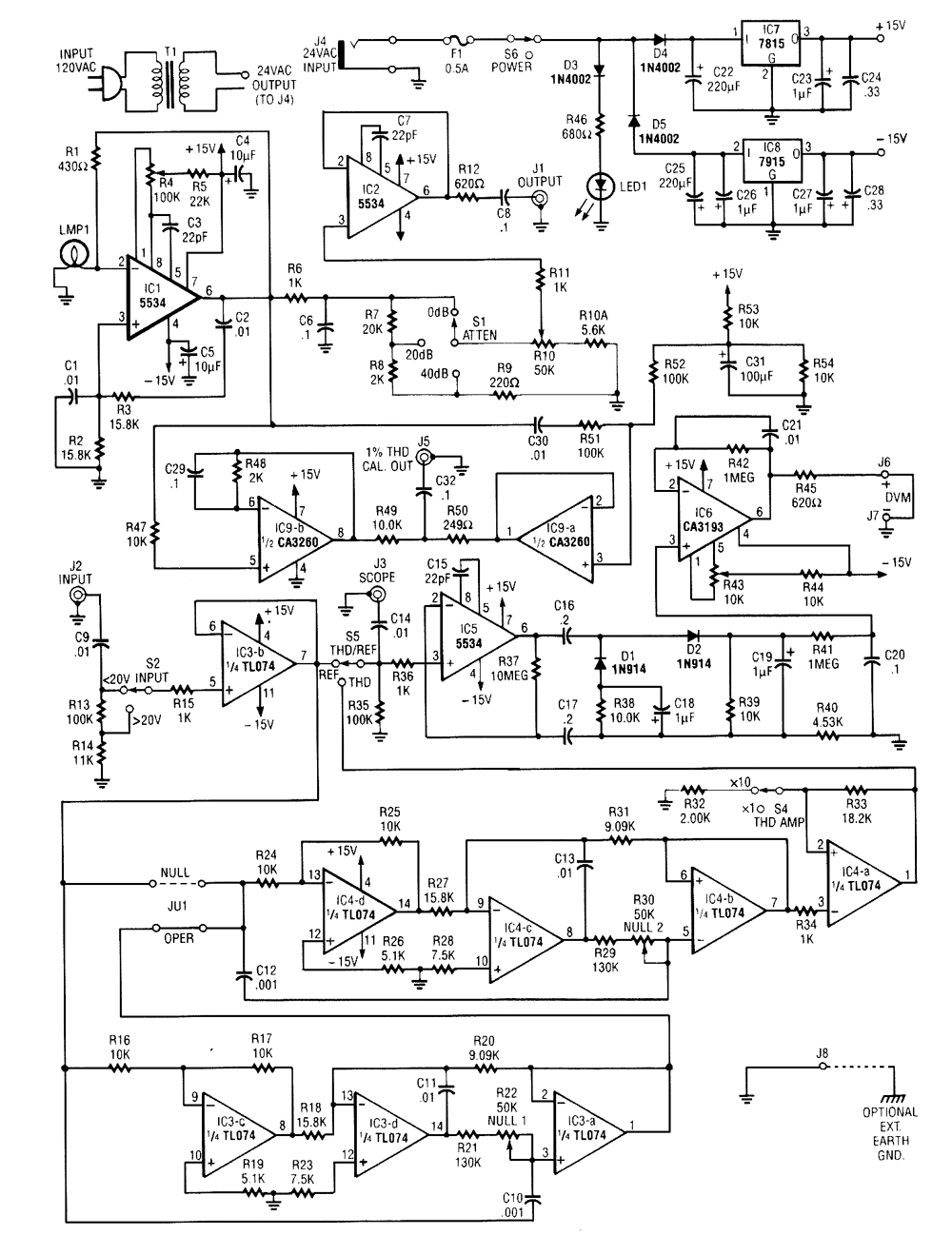
The circuit includes a low-distortion, 1-kHz oscillator and will measure THD at a user selected voltage level for voltage amplifiers, or for checking amplifiers of power levels to 600 W. It will detect THD levels of.005% (-86 dB). A built-in one-percent THD calibrator is included. The output device is a digital multimeter (DMM).
Reprinted Url Of This Article:
http://www.seekic.com/circuit_diagram/Measuring_and_Test_Circuit/HARMONIC_DISTORTION_ANALYZER.html
Print this Page | Comments | Reading(3)
Code: